网站首页
关于我们
公司简介
企业文化
荣誉资质
主营业务
绿色矿业
绿色勘查
生态修复
其他业务
成功案例
绿色矿业
绿色勘查
生态修复
诚聘英才
新闻资讯
联系我们
新闻资讯
当前位置:
首页
>>
新闻资讯
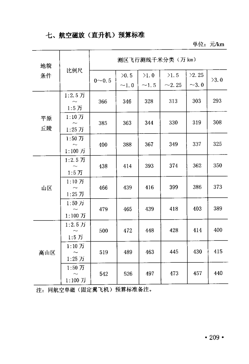
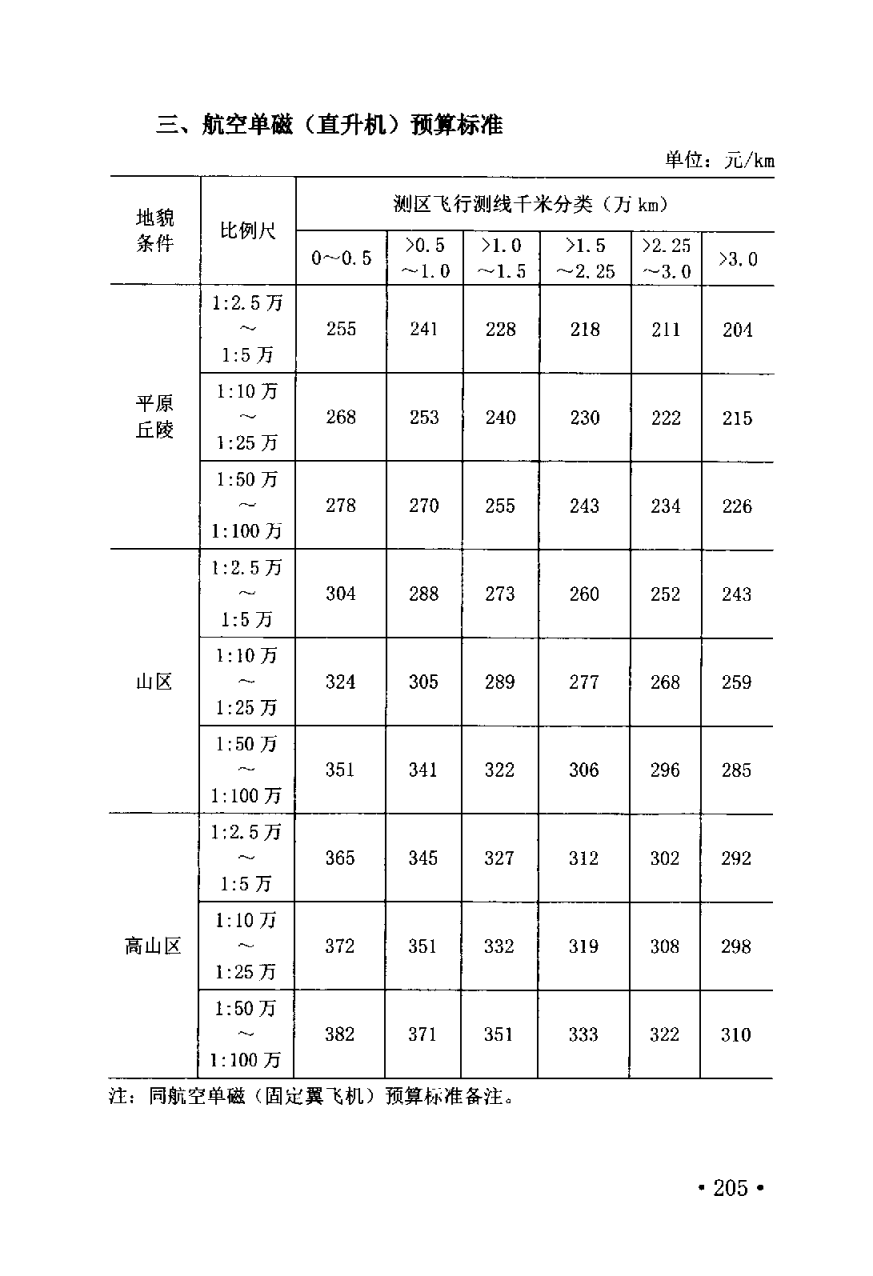
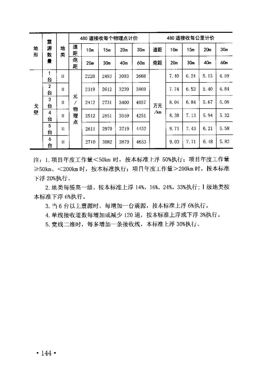
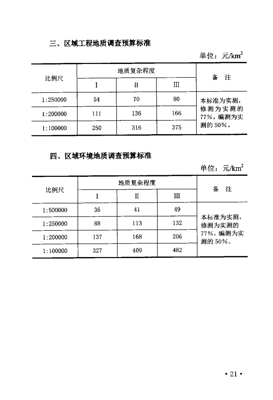
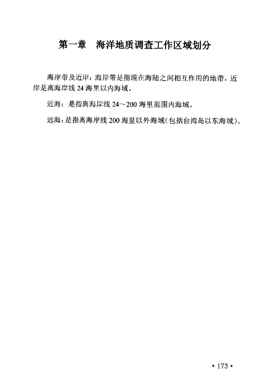
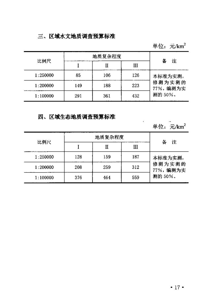
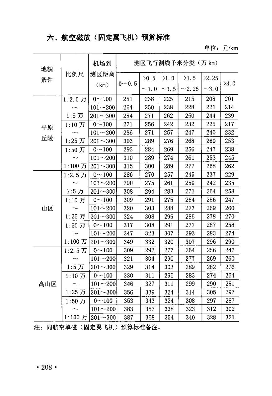
中国地质调查局地质调查项目预算标准(2021)
新闻资讯
|
2025-11-13 16:52:18
转载来源:中国地质调查标准公众号
免责声明 | 文章(图片)版权归原作者所有,仅作分享之用,如有侵权请及时联系我们。
X
网站首页
关于我们
公司简介
企业文化
荣誉资质
主营业务
绿色矿业
绿色勘查
生态修复
其他业务
成功案例
绿色矿业
绿色勘查
生态修复
诚聘英才
新闻资讯
联系我们